|
首 页
|
公司简介
|
新闻中心
|
产品集锦
|
产品目录
|
产品知识
|
联系方法
|
网上订单
|
电子邮局
|
干油部分
电动润滑泵
手(脚)动润滑泵
加油泵
双线分配器
单线分配器
换向阀、操纵阀及其附件
稀油部分
稀油润滑装置及稀油站
稀油润滑元件
管路安装附件
管件部分
油气润滑元件
GLCQ、GLLQ型列管式冷却器(0.63~1.6MPa)JB/T7356-94
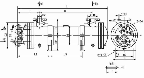
GLLQ 型冷却器外形图
GLLQ 型冷却器外形尺寸
型号
L
C
L1
H1
H2
D1
D2
C1
C2
B
L2
L3
D3
D4
n-d1
n-d2
n-b×l
DN1
DN2
重量
kg
GLLQ3-4/* *
1165
682
265
190
210
219
310
140
200
290
367
485
100
100
4-
Φ18
4-Φ18
4-20×28
32
32
143
GLLQ3-5/* *
1465
982
785
168
GLLQ3-6/* *
1765
1282
1085
110
40
184
GLLQ3-7/* *
2065
1512
1385
220
GLLQ4-12/* *
1555
860
345
262
262
325
435
200
300
370
497
660
145
145
65
65
319
GLLQ4-16/* *
1960
1365
1065
380
GLLQ4-20/* *
2370
1775
1475
440
GLLQ4-24/* *
2780
2175
350
1885
160
8-
Φ17.5
4-20×30
80
505
GLLQ4-28/* *
3190
2585
2295
566
GLLQ4-35/* *
2480
1692
500
315
313
426
535
235
300
520
700
1232
180
180
8-Φ18
100
100
698
GLLQ4-40/* *
2750
1962
1502
766
GLLQ4-45/* *
3020
2202
515
725
1772
210
817
GLLQ4-50/* *
3290
2472
2042
125
900
GLLQ4-60/* *
3830
3012
2582
1027
GLLQ4-80/* *
3160
2015
700
500
434
616
780
360
750
935
935
1555
295
295
8-
Φ22
8-Φ23
4-25×32
200
200
1617
GLLQ4-100/* *
3760
2615
2155
1890
GLLQ4-120/* *
4360
3215
2755
2163
1、第一个* 标注公称压力值,第二个* 标注水管程数(四管程标S,双管程不标注)。下表同。
2、法兰连接尺寸按JB/T81《凸面板式平焊钢制管法兰》中PN=1MPa 的规定。
GLLQ 型立式冷却器外形图
GLLQ 型立式冷却器外形尺寸
型号
L
C
L1
C1
H
D1
D2
D3
DN
D4
n-d1
n-d2
重量
kg
GLLQ5-35/* *L
2610
1692
470
150
315
426
640
590
80
160
6-Φ30
4-Φ18
734
GLLQ5-40/* *L
2880
1962
802
GLLQ5-45/* *L
3120
2202
100
180
8-Φ18
853
GLLQ5-50/* *L
3390
2472
936
GLLQ5-60/* *L
3930
3012
1063
GLLQ6-80/* *L
3255
2015
705
235
500
66
1075
1015
125
210
6-Φ40
1670
GLLQ6-100/* *L
3855
2615
1943
GLLQ6-120/* *L
4455
3215
150
240
8-Φ23
2215
GLLQ7-160/* *L
3320
2010
715
602
820
1210
1150
2768
GLLQ7-200/* *L
3970
2660
200
3340
1、法兰连接尺寸按JB/T81《凸面板式平焊钢制管法兰》中PN=1MPa 的规定。
2、** 标注见前表。
<< 上一页
Copyright © 2012 南通市立新机械制造有限公司 地址:江苏启东市城北工业园杨沙路27号
润滑设备
电话:0513-83308668 传真:0513-83308989 网址:www.ntlx.cn E-mail:ntlx@ntlx.cn
在线咨询